Acrobat 7 Measuring Tool v.s. Acrobat XI Measuring Tool
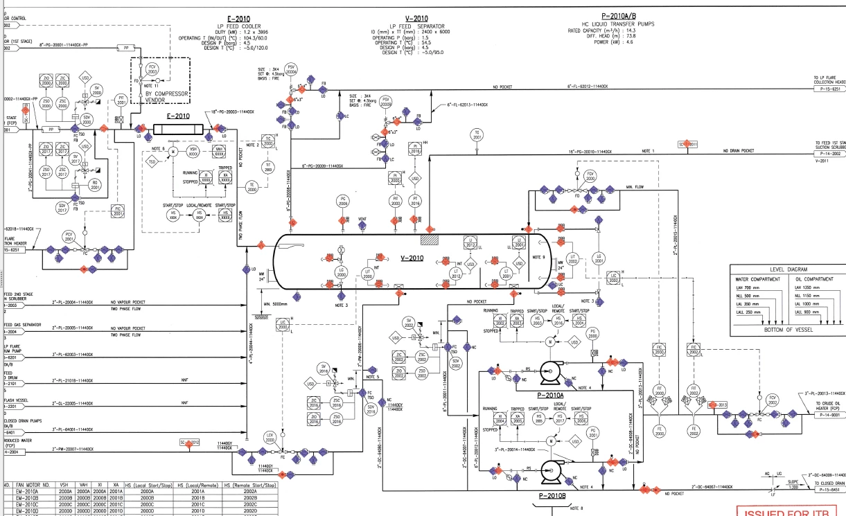
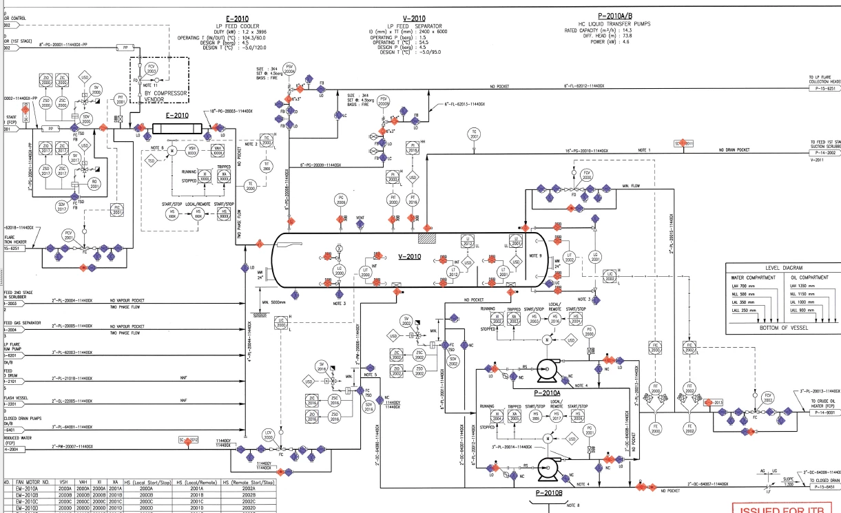
<Urgent> hi im robert, i work on EPC company specializing in oil and gas. I develop a procedure of automated system for Quantity Take off for drawings, PFD's and P&ID's using only acrobat + excel, unfortunately there are some features of old acrobat wherein the tools upgraded version has been changed. My question is can i revert back the tool setting even im already using new version (specifics : Acrobat 7 Measuring Tool v.s. Acrobat XI Measuring Tool)
